Кварцевый анализатор SMD, диапазон частот кГц
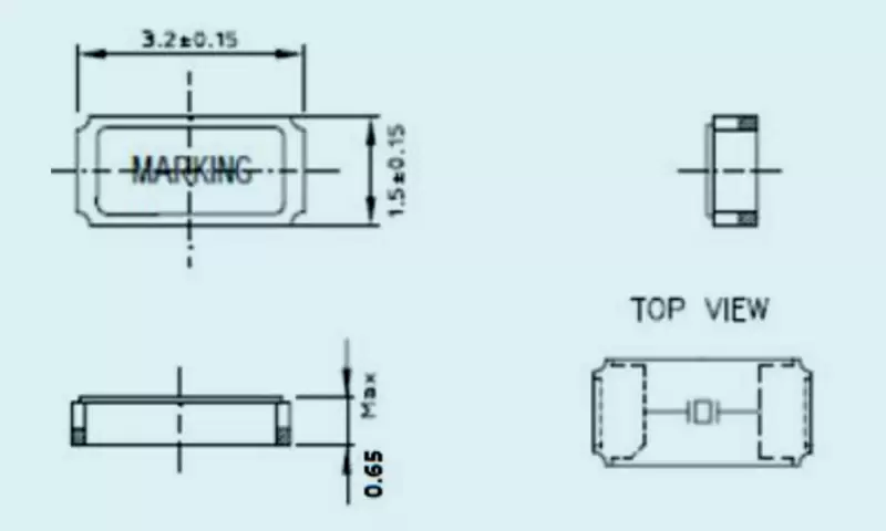
TF8.0x3.8
| лтем | Ряд | 3215 | |
| Тип вывода | Основы | ||
| Диапазон частот (F0) | 32,768 кГц | ||
| Стабильность частоты | +/-20 ppm +/-50 ppm | ||
| Диапазон рабочих температур (TOPR) | -40℃~+85℃、-40℃~+125°C или указать | ||
| Диапазон температур хранения (TSTG) | -55℃~+125℃ | ||
| Уровень привода (DL) | типический 0.1uw,1uw макс. | ||
| Температура оборота (Ti) | 25℃±5℃ | ||
| Параболический коэффициент (B) | -0,04*10-6/℃2 макс. | ||
| Нагрузочная емкость (CL) | 7 пФ, 9 пФ, 12,5 пФ или укажите конкретно. | ||
| Сопротивление движению (СОД) | 60 кОм макс., 70 кОм макс. | ||
| Подвижная емкость (C1) | 8,4 фФ Тип. | ||
| Параллельная емкость (C0) | 1,6 пФ Тип. | ||
| Частотное старение (первый год) | 3x10-6/год Макс. | ||
| Помимо параметров, указанных в таблице, конструкция может быть разработана в соответствии с потребностями заказчика. | |||

*
*
*